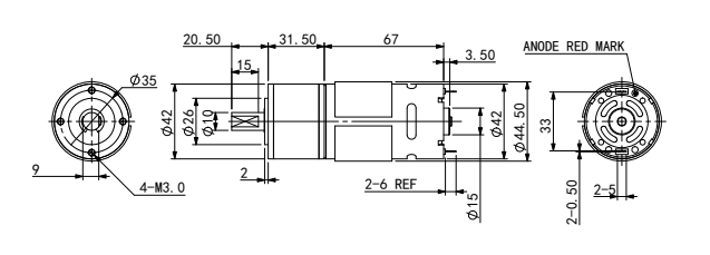
42mm Diameter Brushed Motor With Planetary Gearbox
This 42mm diameter 775 brushed motor with planetary gearbox features a high-capacity motor body and robust planetary structure, making it suitable for applications requiring strong output and structural stability.
















