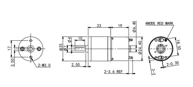
25mm Diameter 320 Brushed Motor With Gearbox
This 25mm diameter 320 micro brushed motor with gearbox features a shorter motor body than 370 versions, making it suitable for applications that require a compact axial length within a larger gearbox platform.















