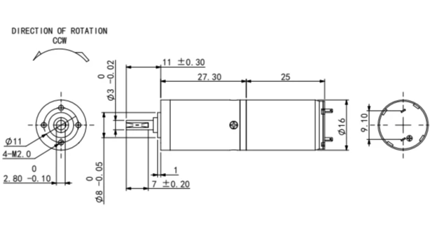
16mm Diameter Brushed Coreless Motor With Planetary Gearbox
This 16mm brushed coreless planetary gear motor is built for compact drives that need a wide ratio selection, enabling you to target different output speeds and torque levels while staying on the same mechanical platform.


















